PG电子·(中国)官方网站

销售邮箱

sales@ktvalve.com

服务热线

021-36160823

双瓣蝶式缓闭止回阀

双瓣蝶式缓闭止回阀 KFHH46/48X

在线咨询 发起询价 销售热线:021-36160823

用途

该阀安装在给排水管道上,用于防止介质的倒流,可有效地预防破坏性水锤产生,保证管线的安全。


执行标准

设计制造:企标

结构长度:企标

法兰标准:GB/T 17241.6   GB/T 9113

试验标准:GB/T 13927 


特点

1、双阀瓣蝶式旋启结构,开启迅速、流体阻力小、运行平稳。

2、弹簧助关,使关闭动作可靠

3、双阻尼缸使阀瓣即将关闭时,减慢速度,可有效消除水锤。慢关速度可设定调整。

4、密封可靠、耐磨损、使用寿命长。


主要性能参数和材料

型号

公称压力PN

适用温度

适用介质

主要零件材料

阀体

阀杆、油缸、活塞、弹簧

阀瓣

阀座

KFHH46(8)X

-10Q~25Q

10~25

0~80

球墨铸铁

不锈钢

碳素钢

丁晴橡胶

KFHH46(8)X

-10C~25C

铸钢


主要连接尺寸

型号

DN

100

125

150

200

250

300

350

400

450

500

600

700

800

KFHH46(8)X

-10C~25C

L

190

200

210

230

250

270

290

310

330

350

390

430

470

H

340

372

415

470

515

580

652

720

760

830

910

1065

1190


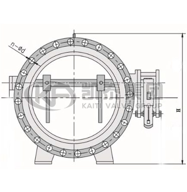
双瓣蝶式缓闭止回阀结构图

双瓣蝶式缓闭止回阀


提供全球流体控制解决方案

友情链接:凤凰彩票官网  电竞竞猜官网  环球体育官网  凤凰彩票官网  电竞竞猜官网  摩根娱乐  365在线体育  凤凰彩票官网  庄闲和游戏官网  jinnianhui金年会